Earthquake resistance is mandatory

MPSA valves compared with
same size globe valve.

Earthquake resistance

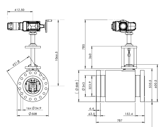
Earthquake resitance, vibration resistance are directly linked to  deported weight from pipe axe.

  • MPSA valves are cylinders same size than pipes.
  • Motorizations used weight 73kg ( pneumatic ) and 30kg for the electrical motorization.
  • Maximum distance between pipe and gravity center of actuator is less than 600mm.

Earth quake resistance  is optimum as vibration resistance.